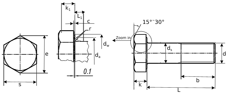
| Screw Thread d |
M8 | M10 | (M10) | ||
|---|---|---|---|---|---|
| P | Pitch | 1 | 1.25 | 1 | |
| b | L≤125 | 22 | 26 | 26 | |
| 125<L≤200 | 28 | 32 | 32 | ||
| L>200 | 41 | 45 | 45 | ||
| c | max | 0.6 | 0.6 | 0.6 | |
| min | 0.15 | 0.15 | 0.15 | ||
| da | max | 9.2 | 11.2 | 11.2 | |
| ds | max=nominal size | 8 | 10 | 10 | |
| Grade A | min | 7.78 | 9.78 | 9.78 | |
| Grade B | min | 7.64 | 9.64 | 9.64 | |
| dw | Grade A | min | 11.63 | 14.63 | 14.63 |
| Grade B | min | 11.47 | 14.47 | 14.47 | |
| e | Grade A | min | 14.38 | 17.77 | 17.77 |
| Grade B | min | 14.2 | 17.59 | 17.59 | |
| k | Nominal Size | 5.3 | 6.4 | 6.4 | |
| Grade A | max | 5.45 | 6.58 | 6.58 | |
| min | 5.15 | 6.22 | 6.22 | ||
| Grade B | max | 5.54 | 6.69 | 6.69 | |
| min | 5.06 | 6.11 | 6.11 | ||
| k1 | Grade A | min | 3.61 | 4.35 | 4.35 |
| Grade B | min | 3.54 | 4.28 | 4.28 | |
| L1 | max | 2 | 2 | 2 | |
| r | min | 0.4 | 0.4 | 0.4 | |
| s | max=nominal size | 13 | 16 | 16 | |
| Grade A | min | 12.73 | 15.73 | 15.73 | |
| Grade B | min | 12.57 | 15.57 | 15.57 | |
| Length of Thread b | b1 | 22 | 26 | 26 | |
| b2 | 28 | 32 | 32 | ||
| b3 | - | 45 | 45 | ||
| Screw Thread d |
M12 | (M12) | (M14) | ||
|---|---|---|---|---|---|
| P | Pitch | 1.5 | 1.25 | 1.5 | |
| b | L≤125 | 30 | 30 | 34 | |
| 125<L≤200 | 36 | 36 | 40 | ||
| L>200 | 49 | 49 | 57 | ||
| c | max | 0.6 | 0.6 | 0.6 | |
| min | 0.15 | 0.15 | 0.15 | ||
| da | max | 13.7 | 13.7 | 15.7 | |
| ds | max=nominal size | 12 | 12 | 14 | |
| Grade A | min | 11.73 | 11.73 | 13.73 | |
| Grade B | min | 11.57 | 11.57 | 13.54 | |
| dw | Grade A | min | 16.63 | 16.63 | 19.64 |
| Grade B | min | 16.47 | 16.47 | 19.15 | |
| e | Grade A | min | 20.03 | 20.03 | 23.36 |
| Grade B | min | 19.85 | 19.85 | 22.78 | |
| k | Nominal Size | 7.5 | 7.5 | 8.8 | |
| Grade A | max | 7.68 | 7.68 | 8.98 | |
| min | 7.32 | 7.32 | 8.62 | ||
| Grade B | max | 7.79 | 7.79 | 9.09 | |
| min | 7.21 | 7.21 | 8.51 | ||
| k1 | Grade A | min | 5.12 | 5.12 | 6.03 |
| Grade B | min | 5.05 | 5.05 | 5.96 | |
| L1 | max | 3 | 3 | 3 | |
| r | min | 0.6 | 0.6 | 0.6 | |
| s | max=nominal size | 18 | 18 | 21 | |
| Grade A | min | 17.73 | 17.73 | 20.67 | |
| Grade B | min | 17.57 | 17.57 | 20.16 | |
| Length of Thread b | b1 | 30 | 30 | 34 | |
| b2 | 36 | 36 | 40 | ||
| b3 | 49 | 49 | 53 | ||
| Screw Thread d |
M16 | (M18) | (M18) | ||
|---|---|---|---|---|---|
| P | Pitch | 1.5 | 2 | 1.5 | |
| b | L≤125 | 38 | 42 | 42 | |
| 125<L≤200 | 44 | 48 | 48 | ||
| L>200 | / | / | / | ||
| c | max | 0.8 | 0.8 | 0.8 | |
| min | 0.2 | 0.2 | 0.2 | ||
| da | max | 17.7 | 20.2 | 20.2 | |
| ds | max=nominal size | 16 | 18 | 18 | |
| Grade A | min | 15.73 | 17.73 | 17.73 | |
| Grade B | min | 15.57 | 17.57 | 17.57 | |
| dw | Grade A | min | 22.49 | 25.34 | 25.34 |
| Grade B | min | 22 | 24.85 | 24.85 | |
| e | Grade A | min | 26.75 | 30.14 | 30.14 |
| Grade B | min | 26.17 | 29.56 | 29.56 | |
| k | Nominal Size | 10 | 11.5 | 11.5 | |
| Grade A | max | 10.18 | 11.715 | 11.715 | |
| min | 9.82 | 11.285 | 11.285 | ||
| Grade B | max | 10.29 | 11.85 | 11.85 | |
| min | 9.71 | 11.15 | 11.15 | ||
| k1 | Grade A | min | 6.87 | 7.9 | 7.9 |
| Grade B | min | 6.8 | 7.81 | 7.81 | |
| L1 | max | 3 | 3 | 3 | |
| r | min | 0.6 | 0.6 | 0.6 | |
| s | max=nominal size | 24 | 27 | 27 | |
| Grade A | min | 23.67 | 26.67 | 26.67 | |
| Grade B | min | 23.16 | 26.16 | 26.16 | |
| Length of Thread b | b1 | 38 | 42 | 42 | |
| b2 | 44 | 48 | 48 | ||
| b3 | 57 | 61 | 61 | ||
| Screw Thread d |
M20 | (M20) | (M22) | ||
|---|---|---|---|---|---|
| P | Pitch | 2 | 1.5 | 2 | |
| b | L≤125 | 46 | 46 | 50 | |
| 125<L≤200 | 52 | 52 | 56 | ||
| L>200 | / | / | 69 | ||
| c | max | 0.8 | 0.8 | 0.8 | |
| min | 0.2 | 0.2 | 0.2 | ||
| da | max | 22.4 | 22.4 | 24.4 | |
| ds | max=nominal size | 20 | 20 | 22 | |
| Grade A | min | 19.67 | 19.67 | 21.67 | |
| Grade B | min | 19.48 | 19.48 | 21.48 | |
| dw | Grade A | min | 28.19 | 28.19 | 31.71 |
| Grade B | min | 27.7 | 27.7 | 31.35 | |
| e | Grade A | min | 33.53 | 33.53 | 37.72 |
| Grade B | min | 32.95 | 32.95 | 37.29 | |
| k | Nominal Size | 12.5 | 12.5 | 14 | |
| Grade A | max | 12.715 | 12.715 | 14.215 | |
| min | 12.285 | 12.285 | 13.785 | ||
| Grade B | max | 12.85 | 12.85 | 14.35 | |
| min | 12.15 | 12.15 | 13.65 | ||
| k1 | Grade A | min | 8.6 | 8.6 | 9.65 |
| Grade B | min | 8.51 | 8.51 | 9.56 | |
| L1 | max | 4 | 4 | 4 | |
| r | min | 0.8 | 0.8 | 0.8 | |
| s | max=nominal size | 30 | 30 | 34 | |
| Grade A | min | 29.67 | 29.67 | 33.38 | |
| Grade B | min | 29.16 | 29.16 | 33 | |
| Length of Thread b | b1 | 46 | 46 | 50 | |
| b2 | 52 | 52 | 56 | ||
| b3 | 65 | 65 | 69 | ||
| Screw Thread d |
(M22) | M24 | M27 | ||
|---|---|---|---|---|---|
| P | Pitch | 1.5 | 2 | 2 | |
| b | L≤125 | 50 | 54 | 60 | |
| 125<L≤200 | 56 | 60 | 66 | ||
| L>200 | 69 | 73 | 79 | ||
| c | max | 0.8 | 0.8 | 0.8 | |
| min | 0.2 | 0.2 | 0.2 | ||
| da | max | 24.4 | 26.4 | 30.4 | |
| ds | max=nominal size | 22 | 24 | 27 | |
| Grade A | min | 21.67 | 23.67 | / | |
| Grade B | min | 21.48 | 23.48 | 26.48 | |
| dw | Grade A | min | 31.71 | 33.61 | / |
| Grade B | min | 31.35 | 33.25 | 38 | |
| e | Grade A | min | 37.72 | 39.98 | / |
| Grade B | min | 37.29 | 39.55 | 45.2 | |
| k | Nominal Size | 14 | 15 | 17 | |
| Grade A | max | 14.215 | 15.215 | / | |
| min | 13.785 | 14.785 | / | ||
| Grade B | max | 14.35 | 15.35 | 17.35 | |
| min | 13.65 | 14.65 | 16.65 | ||
| k1 | Grade A | min | 9.65 | 10.35 | / |
| Grade B | min | 9.56 | 10.26 | 11.66 | |
| L1 | max | 4 | 4 | 6 | |
| r | min | 0.8 | 0.8 | 1 | |
| s | max=nominal size | 34 | 36 | 41 | |
| Grade A | min | 33.38 | 35.38 | / | |
| Grade B | min | 33 | 35 | 40 | |
| Length of Thread b | b1 | 50 | 54 | 60 | |
| b2 | 56 | 60 | 66 | ||
| b3 | 69 | 73 | 79 | ||
| Screw Thread d |
M30 | M33 | M36 | ||
|---|---|---|---|---|---|
| P | Pitch | 2 | 2 | 3 | |
| b | L≤125 | 66 | 72 | / | |
| 125<L≤200 | 72 | 78 | 84 | ||
| L>200 | 85 | 91 | 97 | ||
| c | max | 0.8 | 0.8 | 0.8 | |
| min | 0.2 | 0.2 | 0.2 | ||
| da | max | 33.4 | 36.4 | 39.4 | |
| ds | max=nominal size | 30 | 33 | 36 | |
| Grade A | min | / | / | / | |
| Grade B | min | 29.48 | 32.38 | 35.38 | |
| dw | Grade A | min | / | / | / |
| Grade B | min | 42.75 | 46.55 | 51.11 | |
| e | Grade A | min | / | / | / |
| Grade B | min | 50.85 | 55.37 | 60.79 | |
| k | Nominal Size | 18.7 | 21 | 22.5 | |
| Grade A | max | / | / | / | |
| min | / | / | / | ||
| Grade B | max | 19.12 | 21.42 | 22.92 | |
| min | 18.28 | 20.58 | 22.08 | ||
| k1 | Grade A | min | / | / | / |
| Grade B | min | 12.8 | 14.41 | 15.46 | |
| L1 | max | 6 | 6 | 6 | |
| r | min | 1 | 1 | 1 | |
| s | max=nominal size | 46 | 50 | 55 | |
| Grade A | min | / | / | / | |
| Grade B | min | 45 | 49 | 53.8 | |
| Length of Thread b | b1 | 66 | 72 | 78 | |
| b2 | 72 | 78 | 84 | ||
| b3 | 85 | 91 | 97 | ||
| Screw Thread d |
M39 | M42 | M45 | ||
|---|---|---|---|---|---|
| P | Pitch | 3 | 3 | 3 | |
| b | L≤125 | / | / | / | |
| 125<L≤200 | 90 | 96 | 102 | ||
| L>200 | 103 | 109 | 115 | ||
| c | max | 1 | 1 | 1 | |
| min | 0.3 | 0.3 | 0.3 | ||
| da | max | 42.4 | 45.6 | 48.6 | |
| ds | max=nominal size | 39 | 42 | 45 | |
| Grade A | min | / | / | / | |
| Grade B | min | 38.38 | 41.38 | 44.38 | |
| dw | Grade A | min | / | / | / |
| Grade B | min | 55.86 | 59.95 | 64.7 | |
| e | Grade A | min | / | / | / |
| Grade B | min | 66.44 | 71.3 | 76.95 | |
| k | Nominal Size | 25 | 26 | 28 | |
| Grade A | max | / | / | / | |
| min | / | / | / | ||
| Grade B | max | 25.42 | 26.42 | 28.42 | |
| min | 24.58 | 25.58 | 27.58 | ||
| k1 | Grade A | min | / | / | / |
| Grade B | min | 17.21 | 17.91 | 19.31 | |
| L1 | max | 6 | 8 | 8 | |
| r | min | 1 | 1.2 | 1.2 | |
| s | max=nominal size | 60 | 65 | 70 | |
| Grade A | min | / | / | / | |
| Grade B | min | 58.8 | 63.1 | 68.1 | |
| Length of Thread b | b1 | 84 | 90 | 96 | |
| b2 | 90 | 96 | 102 | ||
| b3 | 103 | 109 | 115 | ||
| Screw Thread d |
M48 | M52 | M56 | ||
|---|---|---|---|---|---|
| P | Pitch | 3 | 4 | 4 | |
| b | L≤125 | / | / | / | |
| 125<L≤200 | 108 | 116 | / | ||
| L>200 | 121 | 129 | 137 | ||
| c | max | 1 | 1 | 1 | |
| min | 0.3 | 0.3 | 0.3 | ||
| da | max | 52.6 | 56.6 | 63 | |
| ds | max=nominal size | 48 | 52 | 56 | |
| Grade A | min | / | / | / | |
| Grade B | min | 47.38 | 51.26 | 55.26 | |
| dw | Grade A | min | / | / | / |
| Grade B | min | 69.45 | 74.2 | 78.66 | |
| e | Grade A | min | / | / | / |
| Grade B | min | 82.6 | 88.25 | 93.56 | |
| k | Nominal Size | 30 | 33 | 35 | |
| Grade A | max | / | / | / | |
| min | / | / | / | ||
| Grade B | max | 30.42 | 33.5 | 35.5 | |
| min | 29.58 | 32.5 | 34.5 | ||
| k1 | Grade A | min | / | / | / |
| Grade B | min | 20.71 | 22.75 | 24.15 | |
| L1 | max | 10 | 10 | 12 | |
| r | min | 1.6 | 1.6 | 2 | |
| s | max=nominal size | 75 | 80 | 85 | |
| Grade A | min | / | / | / | |
| Grade B | min | 73.1 | 78.1 | 82.8 | |
| Length of Thread b | b1 | 102 | - | - | |
| b2 | 108 | 116 | 124 | ||
| b3 | 121 | 129 | 137 | ||
| Screw Thread d |
M60 | M64 | ||
|---|---|---|---|---|
| P | Pitch | 4 | 4 | |
| b | L≤125 | / | / | |
| 125<L≤200 | / | / | ||
| L>200 | 145 | 153 | ||
| c | max | 1 | 1 | |
| min | 0.3 | 0.3 | ||
| da | max | 67 | 71 | |
| ds | max=nominal size | 60 | 64 | |
| Grade A | min | / | / | |
| Grade B | min | 59.26 | 63.26 | |
| dw | Grade A | min | / | / |
| Grade B | min | 83.41 | 88.16 | |
| e | Grade A | min | / | / |
| Grade B | min | 99.21 | 104.86 | |
| k | Nominal Size | 38 | 40 | |
| Grade A | max | / | / | |
| min | / | / | ||
| Grade B | max | 38.5 | 40.5 | |
| min | 37.5 | 39.5 | ||
| k1 | Grade A | min | / | / |
| Grade B | min | 26.25 | 27.65 | |
| L1 | max | 12 | 13 | |
| r | min | 2 | 2 | |
| s | max=nominal size | 90 | 95 | |
| Grade A | min | / | / | |
| Grade B | min | 87.8 | 92.8 | |
| Length of Thread b | b1 | - | - | |
| b2 | 132 | 140 | ||
| b3 | 145 | 153 | ||
b1 for L ≤ 125 mm
b2 for 125mm < L ≤ 200 mm
b3 for L > 200 mm
Article 89601: CE acc. to EN 14592
(M 12, 16, 20, 24)
All information is strictly informative