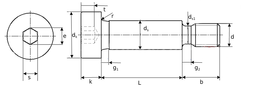
| Thread Size d |
M5 | M6 | M8 | M10 | ||
|---|---|---|---|---|---|---|
| P | Pitch | 0.8 | 1 | 1.25 | 1.5 | |
| ds | Nominal Size | f9 tolerance | 6.5 | 8 | 10 | 13 |
| max | 6.487 | 7.987 | 9.987 | 12.984 | ||
| min | 6.451 | 7.951 | 9.951 | 12.941 | ||
| b | max | 9.75 | 11.25 | 13.25 | 16.4 | |
| min | 9.25 | 10.75 | 12.75 | 15.6 | ||
| dk | For plain heads | max | 10 | 13 | 16 | 18 |
| knurled heads | max | 10.22 | 13.27 | 16.27 | 18.27 | |
| min | 9.78 | 12.73 | 15.73 | 17.73 | ||
| k | max | 4.5 | 5.5 | 7 | 9 | |
| min | 4.32 | 5.32 | 6.78 | 8.78 | ||
| s | Nominal Size | 3 | 4 | 5 | 6 | |
| max | 3.08 | 4.095 | 5.095 | 6.095 | ||
| min | 3.02 | 4.02 | 5.02 | 6.02 | ||
| t | min | 2.4 | 3.3 | 4.2 | 4.9 | |
| g1 | max | 2.5 | 2.5 | 2.5 | 2.5 | |
| g2 | max | 2 | 2.5 | 3.1 | 3.7 | |
| ds1 | max | 3.86 | 4.58 | 6.25 | 7.91 | |
| min | 3.68 | 4.4 | 6.03 | 7.69 | ||
| e | min | 3.44 | 4.58 | 5.72 | 6.86 | |
| r | min | 0.25 | 0.4 | 0.6 | 0.6 | |
| Thread Size d |
M12 | M16 | M20 | ||
|---|---|---|---|---|---|
| P | Pitch | 1.75 | 2 | 2.5 | |
| ds | Nominal Size | f9 tolerance | 16 | 20 | 25 |
| max | 15.984 | 19.98 | 24.98 | ||
| min | 15.941 | 19.928 | 24.928 | ||
| b | max | 18.4 | 22.4 | 27.4 | |
| min | 17.6 | 21.6 | 26.6 | ||
| dk | For plain heads | max | 24 | 30 | 36 |
| knurled heads | max | 24.33 | 30.33 | 36.39 | |
| min | 23.67 | 29.67 | 35.61 | ||
| k | max | 11 | 14 | 16 | |
| min | 10.73 | 13.73 | 15.73 | ||
| s | Nominal Size | 8 | 10 | 12 | |
| max | 8.115 | 10.115 | 12.142 | ||
| min | 8.025 | 10.025 | 12.032 | ||
| t | min | 6.6 | 8.8 | 10 | |
| g1 | max | 2.5 | 2.5 | 3 | |
| g2 | max | 4.4 | 5 | 6.3 | |
| ds1 | max | 9.57 | 13.33 | 16.57 | |
| min | 9.35 | 12.96 | 16.3 | ||
| e | min | 9.15 | 11.43 | 13.72 | |
| r | min | 0.6 | 0.8 | 0.8 | |
*adjusting shank tolerance:
․ steel h8 or f9
․ stainless steel f9
**on stock Ø12, standard value Ø13
***not standardized dimensions
All information is strictly informative