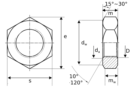
| Thread Size D |
M1.6 | M2 | M2.5 | |
|---|---|---|---|---|
| P | Pitch | 0.35 | 0.4 | 0.45 |
| da | max | 1.84 | 2.3 | 2.9 |
| min | 1.6 | 2 | 2.5 | |
| dw | min | 2.4 | 3.1 | 4.1 |
| e | min | 3.41 | 4.32 | 5.45 |
| m | max | 1 | 1.2 | 1.6 |
| min | 0.75 | 0.95 | 1.35 | |
| mw | min | 0.6 | 0.8 | 1.1 |
| s | max=nominal size | 3.2 | 4 | 5 |
| min | 3.02 | 3.82 | 4.82 | |
| Thread Size D |
M3 | (M3.5) | M4 | |
|---|---|---|---|---|
| P | Pitch | 0.5 | 0.6 | 0.7 |
| da | max | 3.45 | 4 | 4.6 |
| min | 3 | 3.5 | 4 | |
| dw | min | 4.6 | 5.1 | 5.9 |
| e | min | 6.01 | 6.58 | 7.66 |
| m | max | 1.8 | 2 | 2.2 |
| min | 1.55 | 1.75 | 1.95 | |
| mw | min | 1.2 | 1.4 | 1.6 |
| s | max=nominal size | 5.5 | 6 | 7 |
| min | 5.32 | 5.82 | 6.78 | |
| Thread Size D |
M5 | M6 | M8 | |
|---|---|---|---|---|
| P | Pitch | 0.8 | 1 | 1.25 |
| da | max | 5.75 | 6.75 | 8.75 |
| min | 5 | 6 | 8 | |
| dw | min | 6.9 | 8.9 | 11.6 |
| e | min | 8.79 | 11.05 | 14.38 |
| m | max | 2.7 | 3.2 | 4 |
| min | 2.45 | 2.9 | 3.7 | |
| mw | min | 2 | 2.3 | 3 |
| s | max=nominal size | 8 | 10 | 13 |
| min | 7.78 | 9.78 | 12.73 | |
| Thread Size D |
M10 | M12 | (M14) | |
|---|---|---|---|---|
| P | Pitch | 1.5 | 1.75 | 2 |
| da | max | 10.8 | 13 | 15.1 |
| min | 10 | 12 | 14 | |
| dw | min | 14.6 | 16.6 | 19.6 |
| e | min | 17.77 | 20.03 | 23.36 |
| m | max | 5 | 6 | 7 |
| min | 4.7 | 5.7 | 6.42 | |
| mw | min | 3.8 | 4.6 | 5.1 |
| s | max=nominal size | 16 | 18 | 21 |
| min | 15.73 | 17.73 | 20.67 | |
| Thread Size D |
M16 | (M18) | M20 | |
|---|---|---|---|---|
| P | Pitch | 2 | 2.5 | 2.5 |
| da | max | 17.3 | 19.5 | 21.6 |
| min | 16 | 18 | 20 | |
| dw | min | 22.5 | 24.9 | 27.7 |
| e | min | 26.75 | 29.56 | 32.95 |
| m | max | 8 | 9 | 10 |
| min | 7.42 | 8.42 | 9.1 | |
| mw | min | 5.9 | 6.7 | 7.3 |
| s | max=nominal size | 24 | 27 | 30 |
| min | 23.67 | 26.16 | 29.16 | |
| Thread Size D |
(M22) | M24 | (M27) | |
|---|---|---|---|---|
| P | Pitch | 2.5 | 3 | 3 |
| da | max | 23.7 | 25.9 | 29.1 |
| min | 22 | 24 | 27 | |
| dw | min | 31.4 | 33.2 | 38 |
| e | min | 37.29 | 39.55 | 45.2 |
| m | max | 11 | 12 | 13.5 |
| min | 9.9 | 10.9 | 12.4 | |
| mw | min | 7.9 | 8.7 | 9.9 |
| s | max=nominal size | 34 | 36 | 41 |
| min | 33 | 35 | 40 | |
| Thread Size D |
M30 | (M33) | M36 | |
|---|---|---|---|---|
| P | Pitch | 3.5 | 3.5 | 4 |
| da | max | 32.4 | 35.6 | 38.9 |
| min | 30 | 33 | 36 | |
| dw | min | 42.8 | 46.6 | 51.1 |
| e | min | 50.85 | 55.37 | 60.79 |
| m | max | 15 | 16.5 | 18 |
| min | 13.9 | 15.4 | 16.9 | |
| mw | min | 11.1 | 12.3 | 13.5 |
| s | max=nominal size | 46 | 50 | 55 |
| min | 45 | 49 | 53.8 | |
| Thread Size D |
(M39) | M42 | (M45) | |
|---|---|---|---|---|
| P | Pitch | 4 | 4.5 | 4.5 |
| da | max | 42.1 | 45.4 | 48.6 |
| min | 39 | 42 | 45 | |
| dw | min | 55.9 | 60 | 64.7 |
| e | min | 66.44 | 71.3 | 76.95 |
| m | max | 19.5 | 21 | 22.5 |
| min | 18.2 | 19.7 | 21.2 | |
| mw | min | 14.6 | 15.8 | 17 |
| s | max=nominal size | 60 | 65 | 70 |
| min | 58.8 | 63.1 | 68.1 | |
| Thread Size D |
M48 | (M52) | M56 | |
|---|---|---|---|---|
| P | Pitch | 5 | 5 | 5.5 |
| da | max | 51.8 | 56.2 | 60.5 |
| min | 48 | 52 | 56 | |
| dw | min | 69.5 | 74.2 | 78.7 |
| e | min | 82.6 | 88.25 | 93.56 |
| m | max | 24 | 26 | 28 |
| min | 22.7 | 24.7 | 26.7 | |
| mw | min | 18.2 | 19.8 | 21.4 |
| s | max=nominal size | 75 | 80 | 85 |
| min | 73.1 | 78.1 | 82.8 | |
| Thread Size D |
(M60) | M64 | |
|---|---|---|---|
| P | Pitch | 5.5 | 6 |
| da | max | 64.8 | 69.1 |
| min | 60 | 64 | |
| dw | min | 83.4 | 88.2 |
| e | min | 99.21 | 104.86 |
| m | max | 30 | 32 |
| min | 28.7 | 30.4 | |
| mw | min | 23 | 24.3 |
| s | max=nominal size | 90 | 95 |
| min | 87.8 | 92.8 | |
All information is strictly informative