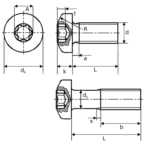
| Thread Size d |
M2 | M2.5 | M3 | |
|---|---|---|---|---|
| P | Pitch | 0.4 | 0.45 | 0.5 |
| a | max | 0.8 | 0.9 | 1 |
| dk | max=nominal size | 4 | 5 | 5.6 |
| min | 3.7 | 4.7 | 5.3 | |
| k | max=nominal size | 1.6 | 2.1 | 2.4 |
| min | 1.46 | 1.96 | 2.26 | |
| x | max | 1 | 1.1 | 1.25 |
| Socket No. | T6 | T8 | T10 | |
| A | Ref. | 1.75 | 2.4 | 2.8 |
| t | max | 0.77 | 1.04 | 1.27 |
| min | 0.63 | 0.91 | 1.01 | |
| r | min | 0.1 | 0.1 | 0.1 |
| Length of Thread b | 16 | 18 | 19 | |
| Thread Size d |
(M3.5) | M4 | M5 | |
|---|---|---|---|---|
| P | Pitch | 0.6 | 0.7 | 0.8 |
| a | max | 1.2 | 1.4 | 1.6 |
| dk | max=nominal size | 7 | 8 | 9.5 |
| min | 6.64 | 7.64 | 9.14 | |
| k | max=nominal size | 2.6 | 3.1 | 3.7 |
| min | 2.46 | 2.92 | 3.52 | |
| x | max | 1.5 | 1.75 | 2 |
| Socket No. | T15 | T20 | T25 | |
| A | Ref. | 3.35 | 3.95 | 4.5 |
| t | max | 1.33 | 1.66 | 1.91 |
| min | 1.07 | 1.27 | 1.52 | |
| r | min | 0.1 | 0.2 | 0.2 |
| Length of Thread b | 20 | 22 | 25 | |
| Thread Size d |
M6 | M8 | M10 | |
|---|---|---|---|---|
| P | Pitch | 1 | 1.25 | 1.5 |
| a | max | 2 | 2.5 | 3 |
| dk | max=nominal size | 12 | 16 | 20 |
| min | 11.57 | 15.57 | 19.48 | |
| k | max=nominal size | 4.6 | 6 | 7.5 |
| min | 4.3 | 5.7 | 7.14 | |
| x | max | 2.5 | 3.2 | 3.8 |
| Socket No. | T30 | T45 | T50 | |
| A | Ref. | 5.6 | 7.95 | 8.95 |
| t | max | 2.42 | 3.18 | 4.02 |
| min | 2.02 | 2.79 | 3.62 | |
| r | min | 0.25 | 0.4 | 0.4 |
| Length of Thread b | 28 | 34 | 40 | |
All information is strictly informative