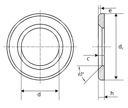
| For thread diameter | M12 | (M14) | M16 | (M18) | |
|---|---|---|---|---|---|
| d | max | 13.27 | 15.27 | 17.27 | 19.33 |
| min | 13 | 15 | 17 | 19 | |
| dc | max | 24 | 28 | 30 | 34 |
| min | 23.48 | 27.48 | 29.48 | 33.38 | |
| h | Nominal Size | 3 | 3 | 4 | 4 |
| max | 3.3 | 3.3 | 4.3 | 4.3 | |
| min | 2.7 | 2.7 | 3.7 | 3.7 | |
| e | min=nominal size | 0.5 | 0.5 | 0.75 | 0.75 |
| max | 1 | 1 | 1.5 | 1.5 | |
| c | min | 1.6 | 1.6 | 1.6 | 2 |
| max | 1.9 | 1.9 | 1.9 | 2.5 | |
| For thread diameter | M20 | M22 | M24 | |
|---|---|---|---|---|
| d | max | 21.33 | 23.33 | 25.33 |
| min | 21 | 23 | 25 | |
| dc | max | 37 | 39 | 44 |
| min | 36.38 | 38.38 | 43.38 | |
| h | Nominal Size | 4 | 4 | 4 |
| max | 4.3 | 4.3 | 4.3 | |
| min | 3.7 | 3.7 | 3.7 | |
| e | min=nominal size | 0.75 | 0.75 | 0.75 |
| max | 1.5 | 1.5 | 1.5 | |
| c | min | 2 | 2 | 2 |
| max | 2.5 | 2.5 | 2.5 | |
| For thread diameter | M27 | M30 | M36 | |
|---|---|---|---|---|
| d | max | 28.52 | 31.62 | 37.62 |
| min | 28 | 31 | 37 | |
| dc | max | 50 | 56 | 66 |
| min | 49 | 54.8 | 64.8 | |
| h | Nominal Size | 5 | 5 | 6 |
| max | 5.6 | 5.6 | 6.6 | |
| min | 4.4 | 4.4 | 5.4 | |
| e | min=nominal size | 1 | 1 | 1.25 |
| max | 2 | 2 | 2.5 | |
| c | min | 2.5 | 2.5 | 2.5 |
| max | 3 | 3 | 3 | |
*acc. to DAST directive
All information is strictly informative