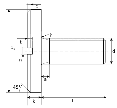
| Thread Size d |
M1 | M1.2 | M1.4 | |
|---|---|---|---|---|
| P | Pitch | 0.25 | 0.25 | 0.3 |
| a | max | 0.5 | 0.5 | 0.6 |
| dk | max=nominal size | 3.5 | 4 | 4.5 |
| min | 3.2 | 3.7 | 4.2 | |
| k | Nominal Size | 0.7 | 0.8 | 0.9 |
| max | 0.82 | 0.92 | 1.02 | |
| min | 0.58 | 0.68 | 0.78 | |
| n | Nominal Size | 0.25 | 0.3 | 0.3 |
| max | 0.45 | 0.5 | 0.5 | |
| min | 0.31 | 0.36 | 0.36 | |
| t | max | 0.5 | 0.55 | 0.6 |
| min | 0.35 | 0.4 | 0.45 | |
| c | ≈ | 0.2 | 0.2 | 0.25 |
| r | max | 0.1 | 0.1 | 0.1 |
| Thread Size d |
M1.6 | M2 | M2.5 | |
|---|---|---|---|---|
| P | Pitch | 0.35 | 0.4 | 0.45 |
| a | max | 0.7 | 0.8 | 0.9 |
| dk | max=nominal size | 5 | 6 | 7 |
| min | 4.7 | 5.64 | 6.64 | |
| k | Nominal Size | 1 | 1.2 | 1.5 |
| max | 1.12 | 1.32 | 1.62 | |
| min | 0.88 | 1.08 | 1.38 | |
| n | Nominal Size | 0.4 | 0.5 | 0.6 |
| max | 0.6 | 0.7 | 0.8 | |
| min | 0.46 | 0.56 | 0.66 | |
| t | max | 0.7 | 0.8 | 0.95 |
| min | 0.5 | 0.6 | 0.75 | |
| c | ≈ | 0.25 | 0.3 | 0.4 |
| r | max | 0.1 | 0.1 | 0.1 |
| Thread Size d |
M3 | M4 | M5 | |
|---|---|---|---|---|
| P | Pitch | 0.5 | 0.7 | 0.8 |
| a | max | 1 | 1.4 | 1.6 |
| dk | max=nominal size | 8 | 12 | 16 |
| min | 7.64 | 11.57 | 15.57 | |
| k | Nominal Size | 1.8 | 2.4 | 2.7 |
| max | 1.92 | 2.52 | 2.82 | |
| min | 1.68 | 2.28 | 2.58 | |
| n | Nominal Size | 0.8 | 1 | 1.2 |
| max | 1 | 1.2 | 1.51 | |
| min | 0.86 | 1.06 | 1.26 | |
| t | max | 1.15 | 1.5 | 1.6 |
| min | 0.9 | 1.2 | 1.3 | |
| c | ≈ | 0.45 | 0.6 | 0.7 |
| r | max | 0.1 | 0.2 | 0.2 |
| Thread Size d |
M6 | M8 | M10 | |
|---|---|---|---|---|
| P | Pitch | 1 | 1.25 | 1.5 |
| a | max | 2 | 2.5 | 3 |
| dk | max=nominal size | 20 | 25 | 30 |
| min | 19.48 | 24.48 | 29.48 | |
| k | Nominal Size | 3.1 | 3.8 | 4.6 |
| max | 3.25 | 3.95 | 4.75 | |
| min | 2.95 | 3.65 | 4.45 | |
| n | Nominal Size | 1.6 | 2 | 2.5 |
| max | 1.91 | 2.31 | 2.81 | |
| min | 1.66 | 2.06 | 2.56 | |
| t | max | 1.9 | 2.4 | 2.8 |
| min | 1.5 | 1.9 | 2.3 | |
| c | ≈ | 0.8 | 0.9 | 1.1 |
| r | max | 0.25 | 0.4 | 0.4 |
All information is strictly informative