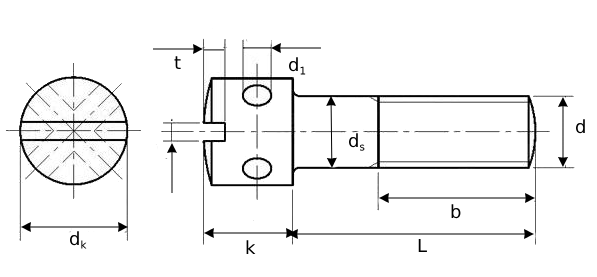
| Thread Size d |
M2 | M2.5 | M3 | M4 | |
|---|---|---|---|---|---|
| P | Pitch | 0.4 | 0.45 | 0.5 | 0.7 |
| b | +2P,0 | 16 | 18 | 19 | 22 |
| d1 | min=nominal size | 1.2 | 1.2 | 1.5 | 2 |
| max | 1.34 | 1.34 | 1.64 | 2.14 | |
| dk | max=nominal size | 3.8 | 4.5 | 5.5 | 7 |
| min | 3.68 | 4.38 | 5.38 | 6.85 | |
| ds | max=nominal size | 2 | 2.5 | 3 | 4 |
| min | 1.86 | 2.36 | 2.86 | 3.82 | |
| k | Nominal Size | 3 | 3.5 | 4 | 5 |
| max | 3.3 | 3.88 | 4.38 | 5.38 | |
| min | 2.7 | 3.12 | 3.62 | 4.62 | |
| n | Nominal Size | 0.5 | 0.6 | 0.8 | 1 |
| max | 0.7 | 0.8 | 1 | 1.2 | |
| min | 0.56 | 0.66 | 0.86 | 1.06 | |
| t | min | 0.7 | 0.8 | 1 | 1.4 |
| max | 0.9 | 1 | 1.25 | 1.7 | |
| Thread Size d |
M5 | M6 | M8 | M10 | |
|---|---|---|---|---|---|
| P | Pitch | 0.8 | 1 | 1.25 | 1.5 |
| b | +2P,0 | 25 | 28 | 34 | 40 |
| d1 | min=nominal size | 2.5 | 3 | 4 | 5 |
| max | 2.64 | 3.14 | 4.18 | 5.18 | |
| dk | max=nominal size | 8.5 | 10 | 13 | 16 |
| min | 8.35 | 9.85 | 12.82 | 15.82 | |
| ds | max=nominal size | 5 | 6 | 8 | 10 |
| min | 4.82 | 5.82 | 7.78 | 9.78 | |
| k | Nominal Size | 6.5 | 8 | 10 | 12.5 |
| max | 6.95 | 8.45 | 10.45 | 13.05 | |
| min | 6.05 | 7.55 | 9.55 | 11.95 | |
| n | Nominal Size | 1.2 | 1.6 | 2 | 2.5 |
| max | 1.51 | 1.91 | 2.31 | 2.81 | |
| min | 1.26 | 1.66 | 2.06 | 2.56 | |
| t | min | 1.7 | 2.2 | 2.7 | 3.5 |
| max | 2 | 2.6 | 3.2 | 4.1 | |
All information is strictly informative