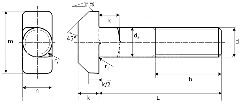
| Screw Thread d |
M8 | M10 | M12 | |
|---|---|---|---|---|
| P | Pitch | 1.25 | 1.5 | 1.75 |
| Length of Thread b |
b1 | 22 | 26 | 30 |
| b2 | 28 | 32 | 36 | |
| b3 | / | / | 49 | |
| ds | max | 8.58 | 10.58 | 12.7 |
| min | 7.42 | 9.42 | 11.3 | |
| k | max | 5.9 | 7.45 | 8.75 |
| min | 5.1 | 6.55 | 7.25 | |
| n | max | 8.75 | 10.75 | 12.9 |
| min | 7.25 | 9.25 | 11.1 | |
| m | max | 18.9 | 22 | 27 |
| min | 17.1 | 20 | 25 | |
| r1 | ≈ | 0.5 | 0.5 | 1 |
| r2① | max | 1.2 | 1.5 | 1.8 |
| Screw Thread d |
M16 | M20 | M24 | |
|---|---|---|---|---|
| P | Pitch | 2 | 2.5 | 3 |
| Length of Thread b |
b1 | 38 | 46 | 54 |
| b2 | 44 | 52 | 60 | |
| b3 | 57 | 65 | 73 | |
| ds | max | 16.7 | 20.84 | 24.84 |
| min | 15.3 | 19.16 | 23.16 | |
| k | max | 11.4 | 13.9 | 15.9 |
| min | 9.6 | 12.1 | 14.1 | |
| n | max | 16.9 | 21 | 25 |
| min | 15.1 | 19 | 23 | |
| m | max | 31 | 37.25 | 44.25 |
| min | 29 | 34.75 | 41.75 | |
| r1 | ≈ | 1 | 1 | 1.6 |
| r2① | max | 2.4 | 3 | 3.6 |
| Screw Thread d |
M30 | M36 | M42 | |
|---|---|---|---|---|
| P | Pitch | 3.5 | 4 | 4.5 |
| Length of Thread b |
b1 | 66 | 78 | / |
| b2 | 72 | 84 | 96 | |
| b3 | 85 | 97 | 109 | |
| ds | max | 30.84 | 37 | 43 |
| min | 29.16 | 35 | 41 | |
| k | max | 20 | 24 | 27 |
| min | 18 | 22 | 25 | |
| n | max | 31 | 37.25 | 43.25 |
| min | 29 | 34.75 | 40.75 | |
| m | max | 55.5 | 67.5 | 81.5 |
| min | 52.5 | 64.5 | 78.5 | |
| r1 | ≈ | 1.6 | 2 | 2 |
| r2① | max | 4.5 | 5.4 | 6.3 |
| Screw Thread d |
M48 | M56 | M64 | |
|---|---|---|---|---|
| P | Pitch | 5 | 5.5 | 6 |
| Length of Thread b |
b1 | / | / | / |
| b2 | 108 | 124 | 130 | |
| b3 | 121 | 137 | 143 | |
| ds | max | 49 | 57.2 | 65.2 |
| min | 47 | 54.8 | 62.8 | |
| k | max | 31 | 36.25 | 41.25 |
| min | 29 | 33.75 | 38.75 | |
| n | max | 49.25 | 57.5 | 65.5 |
| min | 46.75 | 54.5 | 62.5 | |
| m | max | 89.75 | 103.75 | 116.75 |
| min | 86.25 | 100.25 | 113.25 | |
| r1 | ≈ | 2 | 3 | 3 |
| r2① | max | 7.2 | 8.4 | 9.6 |
| Screw Thread d |
M72 | M80 | |
|---|---|---|---|
| P | Pitch | 6 | 6 |
| Length of Thread b |
b1 | / | / |
| b2 | 156 | 172 | |
| b3 | 169 | 185 | |
| ds | max | 73.2 | 81.2 |
| min | 70.8 | 78.8 | |
| k | max | 46.25 | 51.25 |
| min | 43.75 | 48.75 | |
| n | max | 73.5 | 81.5 |
| min | 70.5 | 78.5 | |
| m | max | 130 | 142 |
| min | 126 | 138 | |
| r1 | ≈ | 4 | 4 |
| r2① | max | 10.8 | 12 |
b1 for L ≤ 120 mm
b2 for 120 mm < L ≤ 200 mm
b3 for L > 200 mm
All information is strictly informative